傳真:0533-3580697
技術支持:0533-3582864
郵箱:zbzhengrui@163.com
公司地址:淄博高新區政通路135號高科技創業園B座
變壓器鐵芯夾件接地電流在線監測裝置安裝手冊
來源:正瑞電子
瀏覽:2039
發布日期:2023-02-10
我公司研發的 ZRJD2000 變壓器鐵芯接地電流在線監測系統可以監測鐵芯引出線上電流值的大小,并上傳到監控后臺主機,通過監控軟件可實現實時數據查看,報警提示,歷史數據曲線查詢等功能。
下面介紹變壓器鐵芯夾件接地電流在線監測裝置的安裝.
系統安裝接線圖:

ZRZJ2000采集器安裝到變壓器鐵芯接地和夾件接地線附近,因為傳感器引出帶航空插頭饋線最長不能超過2.5米。電流傳感器連接線,一頭航空插頭,一頭電流傳感器,線長1米,出廠前已做好并測試;
ZRZJ2000采集器安裝尺寸:

(采集器背面固定支架安裝圖)
采集器背面有與固定支架的配裝孔。

固定支架 測量為安裝孔中心距離;
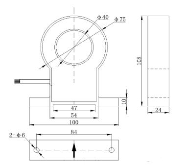
傳感器安裝尺寸:


(安裝圖)
如果鐵芯接地線全為銅排連接接地,可選用內徑為50cm的的電流傳感器。
- 上一篇:高壓電纜溫度在線監測系統方案
- 下一篇:GPS北斗時間同步服務器在電力系統的應用
新聞資訊文章
20年專注電力設備安全在線監測研究
微型電力無源無線測溫
開關柜智能操控裝置
無線測溫采集終端DC
無線傳輸紅外熱成像測 